股票代码  003021
12MM减速齿轮箱
12MM减速齿轮箱
12MM减速齿轮箱

12MM减速齿轮箱

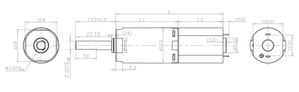
外径:12mm

材质:塑料

旋转方向:cw&ccw

齿轮箱回程差:≤3°

轴承:含油轴承;滚动轴承

轴向窜动:≤0.3mm(含油轴承);≤0.2mm(滚动轴承)

输出轴径向负载:≤5N(含油轴承);≤10N(滚动轴承)

工作温度:-20……+85℃

产品参数
齿轮箱参数
齿轮级数 1 2 3 4
减速比 4/6 16/24/36 64/96/144/216 256/384/576/864/1296
最大容许扭力(gf.cm) 1300 1300 1300 1300
瞬间容许力矩(gf.cm) 4000 4000 4000 4000
齿轮箱效率 85 73 65 58
长度 9.5 13.3 17.1 20.9
马达规格参数
马达(可选择) 直流有刷电机、直流无刷电机、步进电机
电压(可选择) 3-24V
输入速度 ≤30000rpm
电流 250mA max
12MM减速齿轮箱
齿轮级数:1
  • 驱动比
  • 4/6
  • 最大容许扭力(gf.cm)
  • 1300
  • 瞬间容许力矩(gf.cm):
  • 4000
  • 齿轮箱效率
  • 85
  • 长度
  • 9.5
齿轮级数:2
  • 驱动比
  • 16/24/36
  • 最大容许扭力(gf.cm)
  • 1300
  • 瞬间容许力矩(gf.cm):
  • 4000
  • 齿轮箱效率
  • 73
  • 长度
  • 13.3
齿轮级数:3
  • 驱动比
  • 64/96/144/216
  • 最大容许扭力(gf.cm)
  • 1300
  • 瞬间容许力矩(gf.cm):
  • 4000
  • 齿轮箱效率
  • 65
  • 长度
  • 17.1
齿轮级数:4
  • 驱动比
  • 256/384/576/864/1296
  • 最大容许扭力(gf.cm)
  • 1300
  • 瞬间容许力矩(gf.cm):
  • 4000
  • 齿轮箱效率
  • 58
  • 长度
  • 20.9
马达规格参数
马达(可选择)

直流有刷电机
直流无刷电机
步进电机

电压(可选择) 3-24V
输入速度 ≤30000rpm
电流 250mA max
12MM减速齿轮箱
技术插图
12MM减速齿轮箱
推荐产品
型号
ZWPD012012-4
ZWPD012012-6
ZWPD012012-16
ZWPD012012-24
ZWPD012012-36
ZWPD012012-64
ZWPD012012-96
ZWPD012012-144
ZWPD012012-216
ZWPD012012-256
ZWPD012012-384
ZWPD012012-576
ZWPD012012-864
ZWPD012012-1296
额定转速(rpm)
1875
1250
469
313
208
117
78
52
35
29
20
13
9
6
最高转速(rpm)
7500
5000
1875
1250
833
469
313
208
139
117
78
52
35
23
额定容许力矩(gf.cm)
1300
1300
1300
1300
1300
1300
1300
1300
1300
1300
1300
1300
1300
1300
瞬间容许力矩(gf.cm)
4000
4000
4000
4000
4000
4000
4000
4000
4000
4000
4000
4000
4000
4000
减速比
4
6
16
24
36
64
96
144
216
256
384
576
864
1296
减速箱长L1(mm)
9.5
13.3
17.1
20.9
总长L(mm)
24.5
28.3
32.1
35.9
ZWPD012012-4
  • 额定转速(rpm):
  • 1875
  • 最高转速(rpm):
  • 7500
  • 额定容许力矩(gf.cm):
  • 1300
  • 瞬间容许力矩(gf.cm):
  • 4000
  • 减速比:
  • 4
  • 减速箱长L1(mm):
  • 9.5
  • 总长L(mm):
  • 24.5
ZWPD012012-6
  • 额定转速(rpm):
  • 1250
  • 最高转速(rpm):
  • 5000
  • 额定容许力矩(gf.cm):
  • 1300
  • 瞬间容许力矩(gf.cm):
  • 4000
  • 减速比:
  • 6
  • 减速箱长L1(mm):
  • 9.5
  • 总长L(mm):
  • 24.5
ZWPD012012-16
  • 额定转速(rpm):
  • 469
  • 最高转速(rpm):
  • 1875
  • 额定容许力矩(gf.cm):
  • 1300
  • 瞬间容许力矩(gf.cm):
  • 4000
  • 减速比:
  • 16
  • 减速箱长L1(mm):
  • 13.3
  • 总长L(mm):
  • 28.3
ZWPD012012-24
  • 额定转速(rpm):
  • 313
  • 最高转速(rpm):
  • 1250
  • 额定容许力矩(gf.cm):
  • 1300
  • 瞬间容许力矩(gf.cm):
  • 4000
  • 减速比:
  • 24
  • 减速箱长L1(mm):
  • 13.3
  • 总长L(mm):
  • 28.3
ZWPD012012-36
  • 额定转速(rpm):
  • 208
  • 最高转速(rpm):
  • 833
  • 额定容许力矩(gf.cm):
  • 1300
  • 瞬间容许力矩(gf.cm):
  • 4000
  • 减速比:
  • 36
  • 减速箱长L1(mm):
  • 13.3
  • 总长L(mm):
  • 28.3
ZWPD012012-64
  • 额定转速(rpm):
  • 117
  • 最高转速(rpm):
  • 469
  • 额定容许力矩(gf.cm):
  • 1300
  • 瞬间容许力矩(gf.cm):
  • 4000
  • 减速比:
  • 64
  • 减速箱长L1(mm):
  • 17.1
  • 总长L(mm):
  • 32.1
ZWPD012012-96
  • 额定转速(rpm):
  • 78
  • 最高转速(rpm):
  • 313
  • 额定容许力矩(gf.cm):
  • 1300
  • 瞬间容许力矩(gf.cm):
  • 4000
  • 减速比:
  • 96
  • 减速箱长L1(mm):
  • 17.1
  • 总长L(mm):
  • 32.1
ZWPD012012-144
  • 额定转速(rpm):
  • 52
  • 最高转速(rpm):
  • 208
  • 额定容许力矩(gf.cm):
  • 1300
  • 瞬间容许力矩(gf.cm):
  • 4000
  • 减速比:
  • 144
  • 减速箱长L1(mm):
  • 17.1
  • 总长L(mm):
  • 32.1
ZWPD012012-216
  • 额定转速(rpm):
  • 35
  • 最高转速(rpm):
  • 139
  • 额定容许力矩(gf.cm):
  • 1300
  • 瞬间容许力矩(gf.cm):
  • 4000
  • 减速比:
  • 216
  • 减速箱长L1(mm):
  • 17.1
  • 总长L(mm):
  • 32.1
ZWPD012012-256
  • 额定转速(rpm):
  • 29
  • 最高转速(rpm):
  • 117
  • 额定容许力矩(gf.cm):
  • 1300
  • 瞬间容许力矩(gf.cm):
  • 4000
  • 减速比:
  • 256
  • 减速箱长L1(mm):
  • 20.9
  • 总长L(mm):
  • 35.9
ZWPD012012-384
  • 额定转速(rpm):
  • 20
  • 最高转速(rpm):
  • 78
  • 额定容许力矩(gf.cm):
  • 1300
  • 瞬间容许力矩(gf.cm):
  • 4000
  • 减速比:
  • 384
  • 减速箱长L1(mm):
  • 20.9
  • 总长L(mm):
  • 35.9
ZWPD012012-576
  • 额定转速(rpm):
  • 13
  • 最高转速(rpm):
  • 52
  • 额定容许力矩(gf.cm):
  • 1300
  • 瞬间容许力矩(gf.cm):
  • 4000
  • 减速比:
  • 576
  • 减速箱长L1(mm):
  • 20.9
  • 总长L(mm):
  • 35.9
ZWPD012012-864
  • 额定转速(rpm):
  • 9
  • 最高转速(rpm):
  • 35
  • 额定容许力矩(gf.cm):
  • 1300
  • 瞬间容许力矩(gf.cm):
  • 4000
  • 减速比:
  • 864
  • 减速箱长L1(mm):
  • 20.9
  • 总长L(mm):
  • 35.9
ZWPD012012-1296
  • 额定转速(rpm):
  • 6
  • 最高转速(rpm):
  • 23
  • 额定容许力矩(gf.cm):
  • 1300
  • 瞬间容许力矩(gf.cm):
  • 4000
  • 减速比:
  • 1296
  • 减速箱长L1(mm):
  • 20.9
  • 总长L(mm):
  • 35.9

*以上规格数据仅供参考,如有修改恕不另行通知。
* The above specifications are subject to change without prior notice.
12MM减速齿轮箱参数
12MM减速齿轮箱应用
  • 唱片机应用
    唱片机应用
  • 内窥镜应用
    内窥镜应用
  • 智能水表应用
    智能水表应用
观看12MM减速齿轮箱应用视频
在线留言 MESSAGES



验证码:

4  ×  8  =  

HJC黄金城官网 — 微型驱动系统制造商

专注于研发、生产精密驱动系统,为客户提供智能驱动方案设计,零件的生产与组装的定制化服务

立即咨询  >

粤ICP备11019966号     Copyright ? 2023  深圳市HJC黄金城官网机电股份有限公司  

粤ICP备11019966号
Copyright  2023  深圳市HJC黄金城官网机电股份有限公司

400-066-2287
服务热线


线

服务热线:400-066-2287
sitemap地图